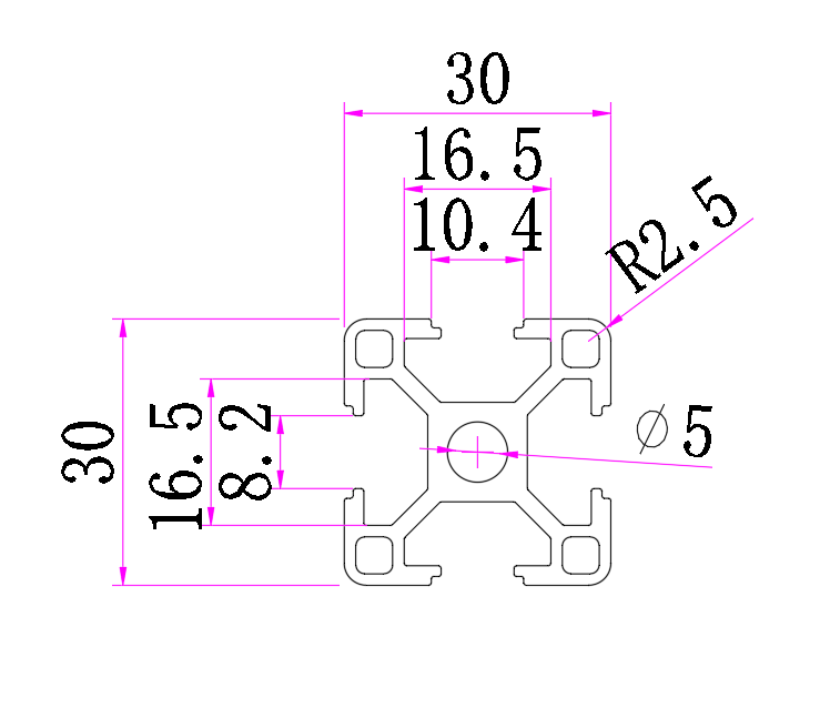
工业铝型材3030是一种广泛应用于现代制造业的结构材料,以其优异的力学性能、轻量化特性和灵活的装配方式,成为自动化设备、机械框架、输送系统、工作台及防护围栏等领域的理想选择。该型材截面尺寸为30mm×30mm,采用高品质6063-T5铝合金挤压成型,具备良好的耐腐蚀性、可加工性和表面处理适应性。
3030铝型材的核心优势在于其标准化槽道设计,通常两侧设有T型槽,便于使用专用螺栓螺母实现多方向连接,无需焊接即可完成复杂结构的快速组装与拆卸,极大提升了设备维护与升级的效率。同时,其重量仅为钢材的三分之一,显著降低整体结构负荷,适用于对轻量化有高要求的应用场景。
在实际应用中,3030型材可搭配丰富的连接件(如角码、内置连接块、端盖、脚轮等),支持直角、45度斜接、三维框架等多种连接方式,满足不同工况下的结构强度和稳定性需求。经过阳极氧化处理后,表面形成致密氧化膜,不仅提升耐磨性,还赋予产品整洁美观的工业外观。
此外,该型材符合国际环保标准,可回收再利用,契合绿色制造的发展趋势。无论是小型自动化产线搭建,还是大型工业机架构建,工业铝型材3030均能提供高效、可靠、经济的结构解决方案,是现代柔性化、模块化设计的重要基础材料。
